股票代码 002434
img
产品中心
PRODUCT CENTER
返 回
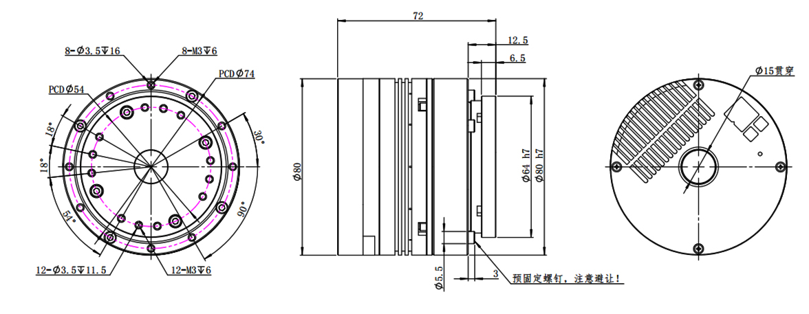
MH25091
18015078260
24小时免费咨询热线
立 即 咨 询

浙江万里扬机器人科技有限公司,主要为各类机器人提供驱动器、电机、减速器和关节模组,具备强大的自主研发和制造生产能力,驱动器、电机和减速机自研,电机和减速机自制。包含行星,谐波,摆线针轮和行星滚柱丝杠模组,产品外径从30毫米到150毫米不等,扭矩从0.5牛米到450牛米不等,采用绝对值双编码器,使用寿命超过10000小时。产品可用在两足、四足机器人、关节机器人、轮式机器人、机器狗/狼等具身智能产品的关节和驱动轮上,利用其自身的研发、制造、成本和品质控制优势,助力机器人行业加速进化。

相关产品